04.2011 | Electric condensation waterpump
The "Electric condensation water Pump Project" or short ECWP was done out of affliction.
At home my gas-heater uses a device that pumps "excessed condensed water" out of the building. This device broke. After an inspection of the device i found out that the spring used in the pump was broken. So i made one out of a key-ring (yes, you got that right :) ), and the pump worked again. But the self-made spring broke 2 month afterwards, and i realized that this couldnt be a way, because i dont have time to change the spring every month. A new device would cost me up to 300 Euros (437 US Dollar) what is a way too expensive for me at the moment, so i came up with my idea to build my own pumping device.
the first schematics turned out like this.
Because i drew it in the bus-ride to my home, it is very messy. The descriptions are also in german, sorry for that. It have some failures, but it is sufficient for a sketch. After i made some test curcuits, i changed my floater design to a design that doesnt need a floater. Instead of floaters im using the condensed water to pullup my pins on the microcontroller to ground.
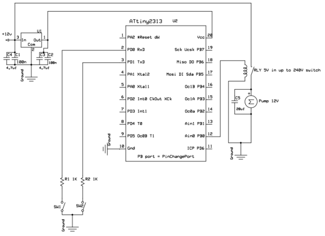
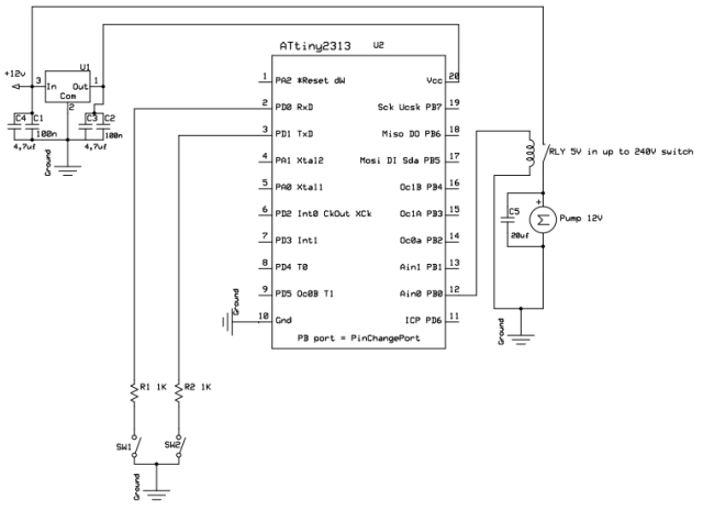
After that i made my curcuit design
The capacitors C3 and C4 arent necessary, but due to testing i havent unsoldered it in the original PCB. After i have tested the curcuit without them, and it still works, then i will remove them from my PCB and schematic also.
SW1 and SW2 are actually the sensors that are being pulled to ground.
The hardware:
- 1x Microcontroller Attiny 2313
- 1x Voltage regulator ST L7805CV
- 2x 100nf ceramic capcitors
- 2x 4,7uf capcitors
- 1x 20uf capcitors
- 1x Relais input 5V that can switch a minimum of 12V and 1,5 A
- 2x Resistor 1K
- 1x power supply 12V 1,5A
- 1x Pump
As the Microcontroller i used an Attiny 2313, and for the pump i used a standard (windshield wiper) pump, in germany also known as (Wischwaschpumpe). I bought the pump at ebay for 6 Euro (8 US Dollar). The pump needs 12V and is a bit noisy, and im still working on that issue. At first i thought that the pump couldnt deal with the 2 meters of height that the water needs to be pumped up, but it turned out fine. For the Power supply i took a standard power supply for External HDD-USB-Cases. Because the Power supply provides 12V and 5V im thinking about to use the 5V Output for the Microcontroller, but at the beginning i designed the curcuit to work with a higher power source.
The PCB:
The Sensors:
As you can see, i only used 3 wires that will fire up the events in the microcontroller. The grey wire on top is connected to ground, the ohter two are connected to the PIND inputs of the attiny. If the water rises up to the second sensor, the pump will "pump" until sensor 1 will get dry. If the sensor wont get dry, because of a failure, the pump will only be activated for 2 minutes.
The Pump
This construction doesnt worked very long, because water dripped out of the bottom. After i realized that, i soldered the pump to the plastic container with my good old hot-melt-gun (sorry, i dont have a picture of that, but i will make one if i have the time).
the original case




